公司简介
资质证书
新闻资讯
产品中心
营销网络
客服中心
人才招聘
联系方式
高压成套设备
首页
>
产品中心
>
高压成套设备
高压成套设备
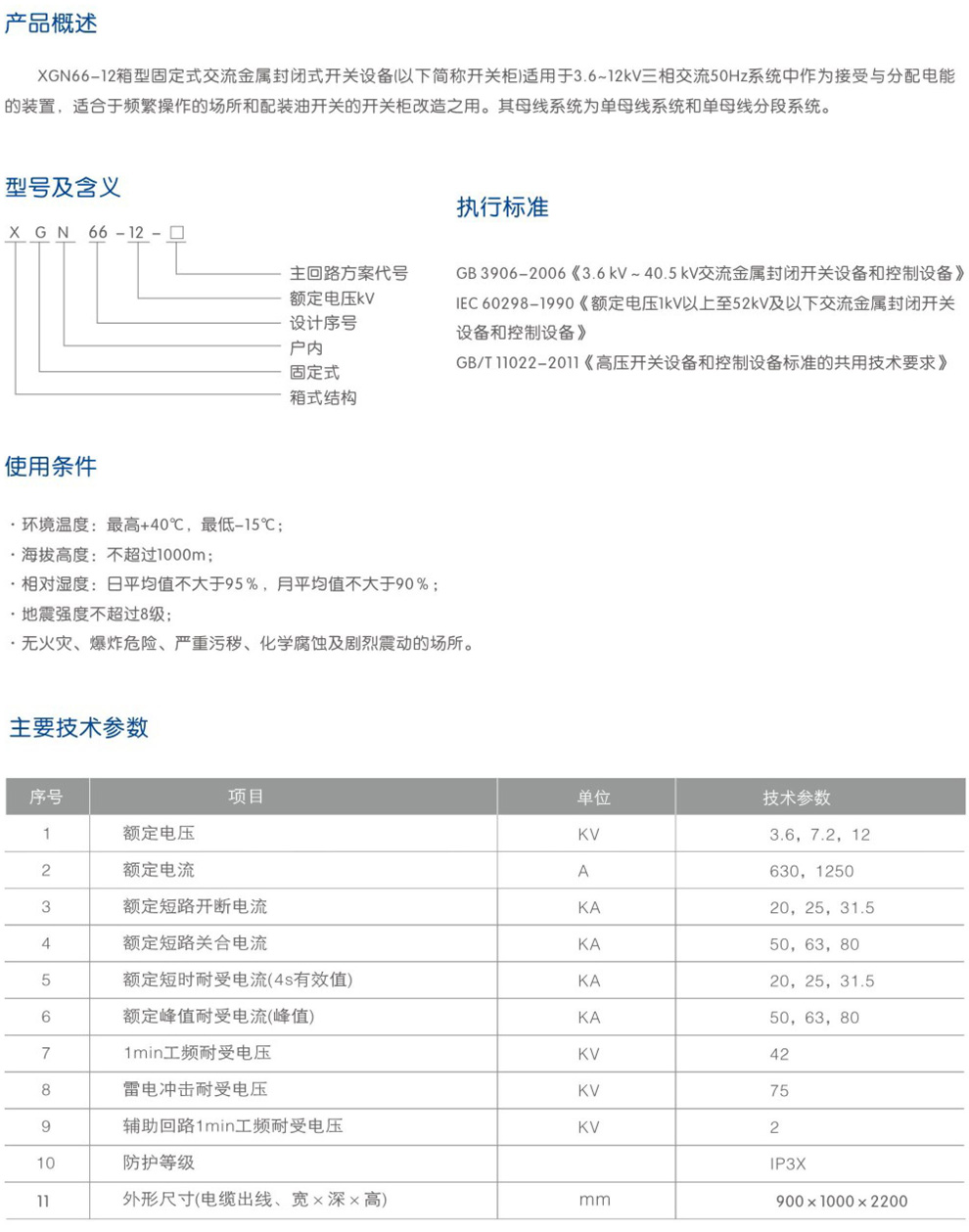
XGN66-12箱型固定式金属封闭开关设备
产品图1
产品描述
联系方式
制造地址:乐清市柳市镇上屋村
电话:0577-62712135
手机:18968966263
网址导航
- 公司简介
- 资质证书
- 新闻资讯
- 产品中心
- 营销网络
- 客服中心
- 人才招聘
- 联系方式
纵华电气
COPYRIGHT © 开闭所-充气柜-高低压配电柜-电缆分支箱-浙江纵华 ALL RIGHTS RESERVED 版权所有
浙ICP备19028796号-1